一、主要原理: 5米電阻式拉繩位移傳感器的主要特征為:采用拉線繩纏繞在同軸的繞線盤上,被測點用鋼絲繩相連接,所測量的位移運動從而帶動線盤轉動,使鋼絲線繩纏繞在輪盤上,電阻尺為一個可旋轉的滑動電阻器,有同軸連接至輪轂中心點,旋轉電阻器發出電阻信號,內部包括一只可以伸縮的彈簧機構作為拉出回收的動力,該產品的主要特點為輪盤的直徑直接影響輪盤的周長,周長對應相等脈沖數的電位器可以發出信號,得出該傳感器的分辨率。 二、主要應用: 該產品屬于中型拉線繩式位移傳感器,可用于控制、記錄、測量長度在0~5000mm的線性距離,輸出信號可選擇數字量和模擬量,安裝過程簡單堅固,適用于中長距離測量及控制,5米拉繩式位移傳感器主要應用于自動化生產、試驗機、機床設備、液壓氣缸、隧道挖掘機、豎井開采、風力系統、木工機械、傳送機構及智能化倉庫等。
 三、主要技術參數: 1、信號輸出類型:數字量P G 模擬量 V MA R 2、供電電壓:根據信號形式可選DC5V,DC12V,DC24V 3、測量行程:5000mm(可定制) 4、大往復速度:1000mm/s 5、分辨力:數字量型0.01、0.0125、0.025、模擬量本質無窮小 6、鋼絲直徑:0.6mm 7、工作溫度:-30攝氏度~+105攝氏度 8、使用壽命:≥600萬|次 9、防護等級:IP56(或定制) 10、以上參數如不明白之處,敬請咨詢眾標技術詳詢。
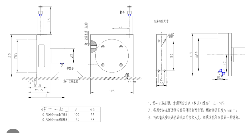
|